W-3824NPS
Cat:Ocynkowane przenośnik kół ramy
Typ D*w*d*b Wał Rozmiar ramki H*W1*W2*W3*t Wysokość ...
Zaawansowana struktura, wysokiej jakości wydajność, łatwa w użyciu, wysoka niezawodność i trwałość.
Ocynkowana rama/pudełka przenośnik kół jest szeroko stosowany, niedrogi płynny pasek. Ten rodzaj płynnego paska jest używany jako przenoszenie poręczy, przenoszenia półki itp., Które jest bardzo odpowiednie dla miejsc w lekkim obciążeniu. Według różnych scenariuszy aplikacji koła mogą być wykonane z różnych materiałów, a także można je dostosować do funkcji przeciw statycznej.

Typ D*w*d*b Wał Rozmiar ramki H*W1*W2*W3*t Wysokość ...
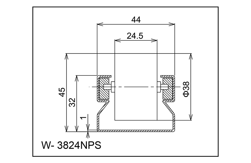
| Typ | D*w*d*b | Wał | Rozmiar ramki H*W1*W2*W3*t | Wysokość H | Długość L | Kołek P | Ładowanie pojedynczego koła (kg) | Typ ramki | Roller Matnal |
| W-3824NPS | 38 × 24,5 × 3 | 3 × 42L | 32 × 44 × 1,0 | 45 | 1000 · 2000 · 3000 | 45 | 20 | Elektro ocynkowane | ABS |

Typ D*w*d*b Wał Rozmiar ramki H*W1*W2*W3*t Wysokość ...
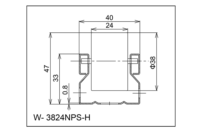
| Typ | D*w*d*b | Wał | Rozmiar ramki H*W1*W2*W3*t | Wysokość H | Długość L | Kołek P | Ładowanie pojedynczego koła (kg) | Typ ramki | Roller Matnal |
| W-3824NPS-H | 38 × 24,5 × 3 | 3 × 38i | 32 × 44 × 0,8 (1,0) | 47 | 1000 · 2000 · 3000 | 45 | 25 | Elektro ocynkowane | ABS |

Typ D*w*d*b Wał Rozmiar ramki H*W1*W2*W3*t Wysokość ...
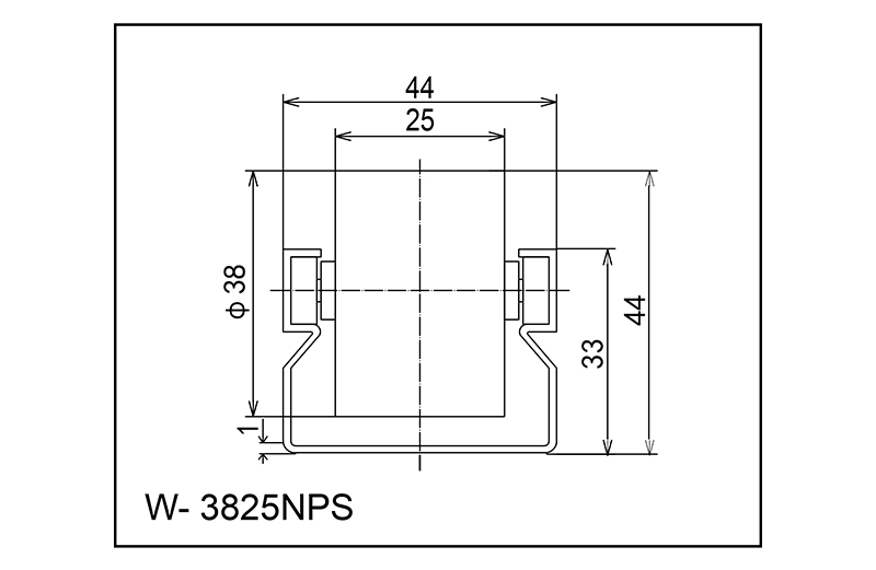
| Typ | D*w*d*b | Wał | Rozmiar ramki H*W1*W2*W3*t | Wysokość H | Długość L | Kołek P | Ładowanie pojedynczego koła (kg) | Typ ramki | Roller Matnal |
| W-3825NPS | 38 × 25 × 3.8 | 3,8 × 40L | 33 × 44 × 1,0 | 44 | 1000 · 2000 · 3000 | 45 | 20 | Elektro ocynkowane | ABS PE |

Typ D*w*d*b Wał Rozmiar ramki H*W1*W2*W3*t Wysokość ...
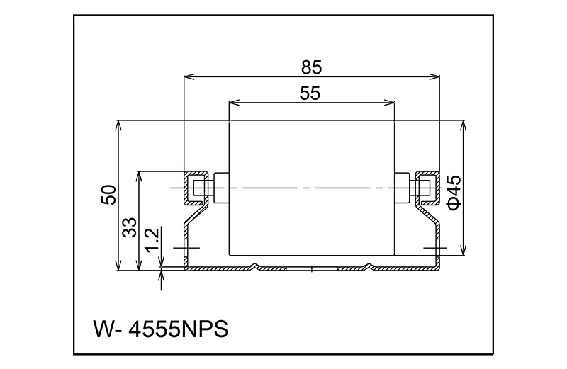
| Typ | D*w*d*b | Wał | Rozmiar ramki H*W1*W2*W3*t | Wysokość H | Długość L | Kołek P | Ładowanie pojedynczego koła (kg) | Typ ramki | Roller Matnal |
| W-4555nps | 45 × 55 × 5 | 5 × 80l | 33 × 85 × 1,2 | 50 | 1000 · 2000 · 3000 | 50 | 60 | Elektro ocynkowane | PE |

Typ D*w*d*b Wał Rozmiar ramki H*W1*W2*W3*t Wysokość ...
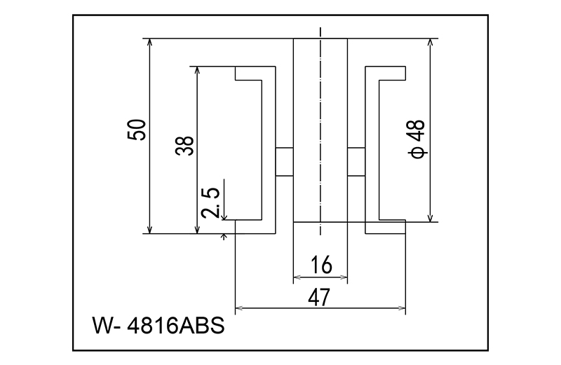
| Typ | D*w*d*b | Wał | Rozmiar ramki H*W1*W2*W3*t | Wysokość H | Długość L | Kołek P | Ładowanie pojedynczego koła (kg) | Typ ramki | Roller Matnal |
| W-4816ABS | 48 × 16 × 6 | 6 × 35L | 38 × 47 × 2,5 | 55 | 1000 · 2000 · 3000 | 45 · 50 · 75 · 100 | 10 | Elektro ocynkowane | Pakiet łożyska ABS |

Typ D*w*d*b Wał Rozmiar ramki H*W1*W2*W3*t Wysokość ...
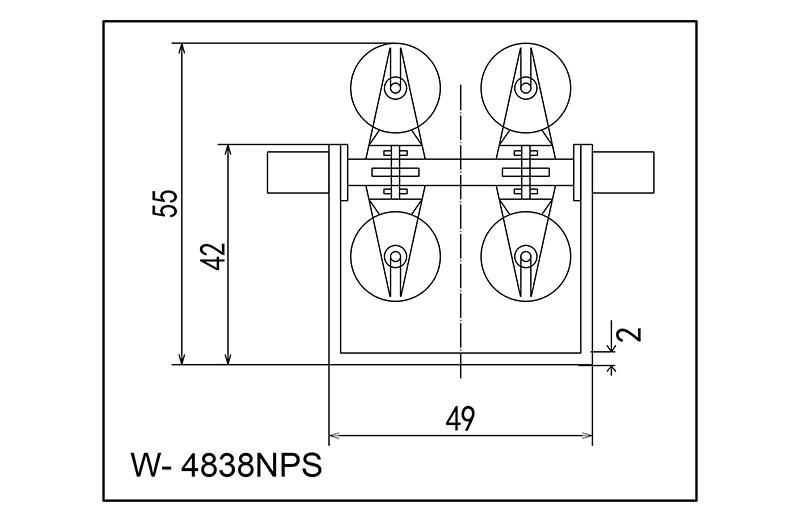
| Typ | D*w*d*b | Wał | Rozmiar ramki H*W1*W2*W3*t | Wysokość H | Długość L | Kołek P | Ładowanie pojedynczego koła (kg) | Typ ramki | Roller Matnal |
| W-4838NPS | 48 × 38 × 10 | 10 × 60l | 42 × 49 × 2 | 55 | 1000 · 2000 · 3000 | 50,75 · 100 | 10 | Zimny zgięcie płyty | Polioksymetylen |

Typ D*w*d*b Wał Rozmiar ramki H*W1*W2*W3*t Wysokość ...
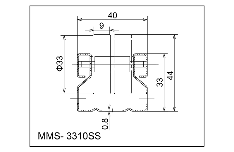
| Typ | D*w*d*b | Wał | Rozmiar ramki H*W1*W2*W3*t | Wysokość H | Długość L | Kołek P | Ładowanie pojedynczego koła (kg) | Typ ramki | Roller Matnal |
| MMS-3310SS | 33 × 9 × 5 × 21,5 (25,5) | 3,5 × 38L | 33 × 40 × 0,8 | 44 | 1000 · 2000 · 3000 | 22.5 Zatrzymanie typu | 6 | Elektro ocynkowane | PE |

Typ D*w*d*b Wał Rozmiar ramki H*W1*W2*W3*t Wysokość ...
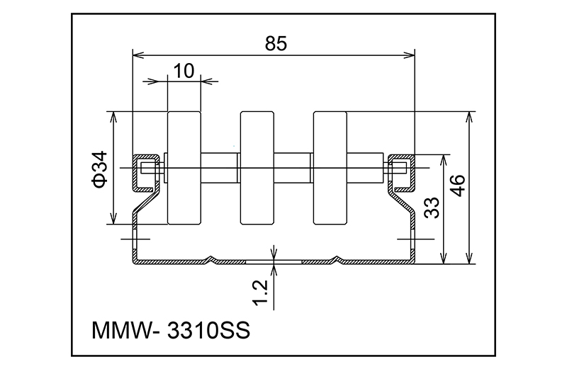
| Typ | D*w*d*b | Wał | Rozmiar ramki H*W1*W2*W3*t | Wysokość H | Długość L | Kołek P | Ładowanie pojedynczego koła (kg) | Typ ramki | Roller Matnal |
| MMW-3310SS | 33 × 10 × 5 × 21,5 (68) | 5 × 82L | 33 × 85 × 1,2 | 46 | 1000 · 2000 · 3000 | 25 Zatęczony typ | 10 | Elektro ocynkowane | PE |

Typ Rozmiar rolki D*w*d*b Wał Rozmiar ramki HXWXT ...
| Typ | Rozmiar rolki D*w*d*b | Wał | Rozmiar ramki HXWXT | Wysokość H | Lengeh L | Kołek P | Ładowanie pojedynczego koła (kg) | Materiał rolkowy |
| W-13G | 13 × 14 × 2,5 | 2,5 × 26L | 22/14 × 30/70 | 16 · 24 | 1000 ~ 2000 | 15 · 30 · 45 | 4 | ABS |

Typ Rozmiar rolki D*w*d*b Wał Rozmiar ramki HXWXT ...
| Typ | Rozmiar rolki D*w*d*b | Wał | Rozmiar ramki HXWXT | Wysokość H | Lengeh L | Kołek P | Ładowanie pojedynczego koła (kg) | Materiał rolkowy |
| W-2820G | 28 × 20 × 3 | 3 × 33L | 25 × 35 | 38 | 1000 ~ 3000 | 30 · 45 · 60 | 10 | ABS |

Typ Rozmiar rolki D*w*d*b Wał Rozmiar ramki HXWXT ...
| Typ | Rozmiar rolki D*w*d*b | Wał | Rozmiar ramki HXWXT | Wysokość H | Lengeh L | Kołek P | Ładowanie pojedynczego koła (kg) | Materiał rolkowy |
| W-28g | 28 × 25 × 3 | 3 × 37L | 35 × 42 | 38,5 · 42,5 | 1000 ~ 3000 | 30 · 45 · 60 | 10 | ABS |

Typ Rozmiar rolki D*w*d*b Wał Rozmiar ramki HXWXT ...
| Typ | Rozmiar rolki D*w*d*b | Wał | Rozmiar ramki HXWXT | Wysokość H | Lengeh L | Kołek P | Ładowanie pojedynczego koła (kg) | Materiał rolkowy |
| W-30G | 30 × 44 × 3.4 | 3,4 × 55L | 35 × 60 | 42 | 1000 ~ 3000 | 36 | 10 | ABS |
Dlaczego konserwacja przenośnika rolkowego ma bezpośredni wpływ na żywotność systemu ...
Przeczytaj więcejCo sprawia, że przenośnik rolkowy jest naprawdę wytrzymały? Przenośnik rolkowy do duży...
Przeczytaj więcejCo to są przenośniki rolkowe i dlaczego typ ma znaczenie? Przenośniki rolkowe t...
Przeczytaj więcejDlaczego przenośniki rolkowe pozostają podstawą transportu materiałów Przenośniki ro...
Przeczytaj więcejSystemy przenośnikowe codziennie przewożą miliony ton materiałów przez fabryki, magaz...
Przeczytaj więcejWprowadzanie kunsztu w przyszłość.
No.60, Zhenhu North Road, Hudai Town, Binhu District, Wuxi 214100, Chiny



