HJR-2015B
Cat:Przenośnik rolki żywicy
Szerokość wałka W (mm) 100 200 300 400 500 ...
Zaawansowana struktura, wysokiej jakości wydajność, łatwa w użyciu, wysoka niezawodność i trwałość.
Przenośniki rolki żywicy zazwyczaj mają wałki PVC ze zintegrowanym łożyskiem żywicy i osi. Opcje ramy obejmują stal pokrytą proszkiem, stal nierdzewną lub aluminium. Ten typ przenośnika jest odpowiedni dla przedmiotów obciążenia światłem i ma również zastosowanie w przemyśle żywności, farmaceutycznej i chemicznej.

Szerokość wałka W (mm) 100 200 300 400 500 ...
| Szerokość wałka W (mm) | 100 | 200 | 300 | 400 | 500 | |
| Szerokość przenośnika W 45 (mm) | 145 | 245 | 345 | 445 | 545 | |
| Ładowanie rolki (kg) | 11.5 | 10.7 | 10 | 9.2 | 7.0 | |
| 2000L waga przenośnika (kg) | 25p | 4.3 | 6.4 | 8.5 | 10.7 | 12.8 |
| 30p | 3.8 | 5.7 | 7.5 | 9.4 | 11.3 | |
| Waga wałka (G) | 33 | 55 | 78 | 100 | 12.2 | |

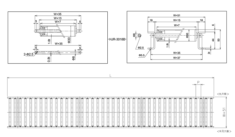
Szerokość wałka W (mm) 100 200 300 400 Szero...
| Szerokość wałka W (mm) | 100 | 200 | 300 | 400 | |
| Szerokość przenośnika W 45 (mm) | 145 | 245 | 345 | 445 | |
| Ładowanie rolki (kg) | 13.5 | 12.6 | 12.5 | 11.8 | |
| 2000L waga przenośnika (kg) | 30p | 6.5 | 8.5 | 11 | 19 |
| 40p | 5 | 7.5 | 10 | 12.3 | |
| Waga wałka (G) | 50.5 | 75 | 115 | 145 | |

Szerokość wałka W (mm) 100 200 300 400 500 ...
| Szerokość wałka W (mm) | 100 | 200 | 300 | 400 | 500 | |
| Szerokość przenośnika W 51 (mm) | 151 | 251 | 351 | 451 | 551 | |
| Ładowanie rolki (kg) | 16.5 | 15.7 | 15 | 14.2 | 13.5 | |
| 1500 l Waga przenośnika (kg) | 40p | 7.2 | 10.8 | 14.5 | 18 | 21.7 |
| 50p | 6.2 | 9.2 | 12.2 | 15.1 | 18.2 | |
| Waga wałka (G) | 64 | 106 | 149 | 191 | 235 | |

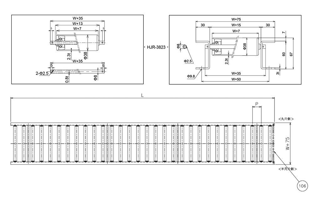
Szerokość wałka W (mm) 100 200 300 400 500 ...
| Szerokość wałka W (mm) | 100 | 200 | 300 | 400 | 500 | |
| Szerokość przenośnika W 75 (mm) | 175 | 275 | 375 | 475 | 575 | |
| Ładowanie rolki (kg) | 21.5 | 20.8 | 20.1 | 19.5 | 18.6 | |
| Waga przenośnika 3000l (kg) | 50p | 11.5 | 15.2 | 18.8 | 22.5 | 26.2 |
| 75p | 9.7 | 12.3 | 14.8 | 17.5 | 20.0 | |
| Waga wałka (G) | 91 | 145 | 199 | 253 | 307 | |

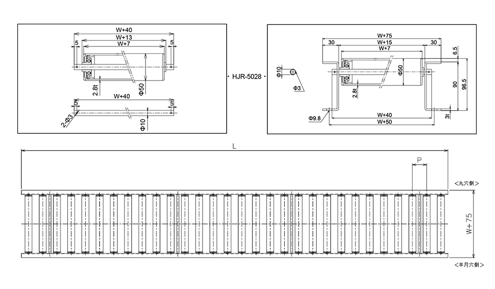
Szerokość wałka W (mm) 100 200 300 400 500 ...
| Szerokość wałka W (mm) | 100 | 200 | 300 | 400 | 500 | 600 | |
| Szerokość przenośnika W 75 (mm) | 175 | 275 | 375 | 475 | 575 | 675 | |
| Ładowanie rolki (kg) | 32 | 31 | 30 | 29.5 | 28.5 | 27.7 | |
| Waga przenośnika 3000l (kg) | 75p | 13.5 | 17.7 | 22.0 | 26.1 | 30.5 | 34.1 |
| 100p | 12.1 | 15.3 | 18.6 | 21.9 | 25.2 | 27.8 | |
| Waga wałka (G) | 148 | 243 | 339 | 435 | 530 | 626 | |

Szerokość wałka W (mm) 100 200 300 400 500 ...
| Szerokość wałka W (mm) | 100 | 200 | 300 | 400 | 500 | 600 | |
| Szerokość przenośnika W 75 (mm) | 175 | 275 | 375 | 475 | 575 | 675 | |
| Ładowanie rolki (kg) | 35 | 34 | 33 | 30 | 29 | 28.5 | |
| Waga przenośnika 3000l (kg) | 75p | 14.4 | 19.3 | 24.2 | 29.0 | 34.0 | 38.2 |
| 100p | 12.7 | 16.5 | 20.3 | 23.9 | 27.8 | 30.9 | |
| Waga wałka (G) | 172 | 283 | 395 | 506 | 617 | 728 | |
Dlaczego konserwacja przenośnika rolkowego ma bezpośredni wpływ na żywotność systemu ...
Przeczytaj więcejCo sprawia, że przenośnik rolkowy jest naprawdę wytrzymały? Przenośnik rolkowy do duży...
Przeczytaj więcejCo to są przenośniki rolkowe i dlaczego typ ma znaczenie? Przenośniki rolkowe t...
Przeczytaj więcejDlaczego przenośniki rolkowe pozostają podstawą transportu materiałów Przenośniki ro...
Przeczytaj więcejSystemy przenośnikowe codziennie przewożą miliony ton materiałów przez fabryki, magaz...
Przeczytaj więcejWprowadzanie kunsztu w przyszłość.
No.60, Zhenhu North Road, Hudai Town, Binhu District, Wuxi 214100, Chiny







