HR-TC220
Cat:Przenośnik rolka stożkowego
Szerokość w (mm) 200 A (φ) Średnica 31.3 ...
Zaawansowana struktura, wysokiej jakości wydajność, łatwa w użyciu, wysoka niezawodność i trwałość.
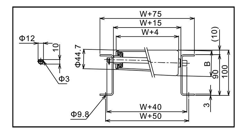
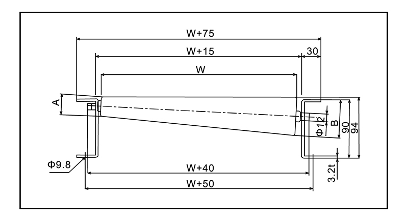
Znany również jako przenośnik rolki krzywej, przenośnik rolka stożkowy pozwala na kąty skrętu 30, 45, 60, 90 i 180 stopni. Służy głównie do zmian kierunków w liniach przenośników, z 30, 45 i 60 stopni często stosowanymi do rozgałęzienia i łączenia przenośników. Ten przenośnik ma lekki typ z pojemnością obciążenia, ogólnie nieprzekraczającym 200 kg.
| R | Typ \ szerokość | 200 | 300 | 400 | 500 | 600 | 700 | 800 | 900 | 1000 | 1100 | 1200 | Boisko rolkowe |
| 220 | HR-TC220 | ○ | - | - | - | - | - | - | - | - | - | - | 50,75 100 |
| 320 | HR-TC320 | - | ○ | - | - | - | - | - | - | - | - | - | 50,75 100 |
| 500 | HR-TC500A | - | ○ | ○ | ○ | ○ | ○ | - | - | - | - | - | 75 |
| 700 | HR-TC700 | ○ | ○ | ○ | ○ | ○ | - | - | - | - | - | - | 75 100 150 |
| 900 | HR-TCN | - | ○ | ○ | ○ | ○ | ○ | ○ | - | - | - | - | 75 100 150 |
| HR-TC900 | ○ | ○ | ○ | ○ | ○ | - | - | - | - | - | - | 75 100 150 | |
| HR-TC900A | - | ○ | ○ | ○ | ○ | ○ | ○ | - | - | - | - | 75 100 | |
| HR-TCL | - | - | - | - | - | - | - | ○ | ○ | ○ | ○ | 75 100 1550 2500 | |
| 1200 | HR-TC1200 | ○ | ○ | ○ | ○ | ○ | - | - | - | - | - | - | 75 100 150 |
| HR-TC1200A | - | - | - | - | - | - | ○ | ○ | ○ | ○ | ○ | 75.100 | |
| 1600 | HR-TC1600 | - | - | ○ | ○ | ○ | ○ | ○ | - | - | - | - | 75 100 1550,200 |

Szerokość w (mm) 200 A (φ) Średnica 31.3 ...
| Szerokość w (mm) | 200 | |
| A (φ) | Średnica | 31.3 |
| Grubość | 3.5 | |
| B (φ) | Średnica | 60.5 |
| Grubość | 2.0 | |
| Ładowanie rolki (kg) | 100 | |

Szerokość w (mm) 300 A (φ) Średnica 31.2 ...
| Szerokość w (mm) | 300 | |
| A (φ) | Średnica | 31.2 |
| Grubość | 3.6 | |
| B (φ) | Średnica | 60.5 |
| Grubość | 2.1 | |
| Ładowanie rolki (kg) | 100 | |

Szerokość w (mm) 300 400 500 600 700 8...
| Szerokość w (mm) | 300 | 400 | 500 | 600 | 700 | 800 | |
| A (φ) | Średnica | 42.7 | 42.7 | 42.7 | 42.7 | 42.7 | 42.7 |
| Grubość | 3.2 | 3.2 | 3.1 | 3.1 | 3.1 | 3.1 | |
| B (φ) | Średnica | 56.8 | 61.3 | 66.4 | 71.3 | 76.2 | 80.0 |
| Grubość | 2.1 | 2.1 | 2.1 | 2.1 | 2.0 | 2.0 | |
| Ładowanie rolki (kg) | 100 | 90 | 85 | 76 | 59 | 54 | |

Szerokość w (mm) 900 1000 1100 1200 A (φ) ...
| Szerokość w (mm) | 900 | 1000 | 1100 | 1200 | |
| A (φ) | Średnica | 42.7 | 42.7 | 42.7 | 42.7 |
| Grubość | 3.5 | 3.8 | 4.5 | 4.5 | |
| B (φ) | Średnica | 86.7 | 91.0 | 95.3 | 100.0 |
| Grubość | 2.0 | 1.8 | 2.0 | 1.8 | |
| Ładowanie rolki (kg) | 110 | 95 | 87 | 80 | |

Szerokość w (mm) 200 300 400 500 600 ...
| Szerokość w (mm) | 200 | 300 | 400 | 500 | 600 | |
| A (φ) | Średnica | 41.3 | 41.3 | 41.3 | 41.3 | 41.3 |
| Grubość | 3.3 | 3.3 | 3.3 | 3.3 | 3.3 | |
| B (φ) | Średnica | 52.2 | 57.6 | 63.1 | 68.6 | 74.0 |
| Grubość | 2.5 | 2.4 | 2.4 | 2.3 | 2.3 | |

Szerokość w (mm) 200 300 400 500 600 ...
| Szerokość w (mm) | 200 | 300 | 400 | 500 | 600 | |
| A (φ) | Średnica | 45.0 | 45.0 | 45.0 | 45.0 | 45.0 |
| Grubość | 3.2 | 3.2 | 3.2 | 3.2 | 3.2 | |
| B (φ) | Średnica | 54.9 | 59.9 | 64.9 | 69.8 | 74.8 |
| Grubość | 2.2 | 2.2 | 2.1 | 2.1 | 2.0 | |

Szerokość w (mm) 200 300 400 500 600 ...
| Szerokość w (mm) | 200 | 300 | 400 | 500 | 600 | |
| A (φ) | Średnica | 48.0 | 48.0 | 48.0 | 48.0 | 48.0 |
| Grubość | 3.1 | 3.1 | 3.1 | 3.1 | 3.1 | |
| B (φ) | Średnica | 56.8 | 61.2 | 65.7 | 70.1 | 74.5 |
| Grubość | 2.3 | 2.3 | 2.2 | 2.2 | 2.1 | |

Szerokość w (mm) 400 500 600 700 800 ...
| Szerokość w (mm) | 400 | 500 | 600 | 700 | 800 | |
| A (φ) | Średnica | 50.0 | 50.0 | 50.0 | 50.0 | 50.0 |
| Grubość | 3.0 | 3.0 | 3.0 | 3.0 | 3.0 | |
| B (φ) | Średnica | 63.0 | 66.3 | 69.5 | 72.8 | 76.0 |
| Grubość | 2.3 | 2.2 | 2.2 | 2.1 | 2.0 | |

Szerokość w (mm) 300 400 500 600 700 8...
| Szerokość w (mm) | 300 | 400 | 500 | 600 | 700 | 800 | |
| A (φ) | Średnica | 42 | 42 | 42 | 42 | 42 | 42 |
| Grubość | 2 | 2 | 2 | 2 | 2 | 2 | |
| B (φ) | Średnica | 79 | 91 | 103 | 116 | 128 | 140 |
| Grubość | 20.5 | 26.5 | 32.5 | 39.0 | 45.0 | 51.0 | |

Szerokość w (mm) 200 300 400 500 600 7...
| Szerokość w (mm) | 200 | 300 | 400 | 500 | 600 | 700 | |
| A (φ) | Średnica | 44.7 | 44.7 | 44.7 | 44.7 | 44.7 | 44.7 |
| Grubość | 3.5 | 3.5 | 3.5 | 3.5 | 3.5 | 3.5 | |
| B (φ) | Średnica | 54.6 | 59.6 | 64.5 | 69.5 | 74.4 | 75 |
| Grubość | 2.4 | 2.3 | 2.3 | 2.2 | 2.2 | 2.2 | |

Typ Ocena Sztywność Odporność na ciepło Zimny opór ...
| Typ | Ocena | Sztywność | Odporność na ciepło | Zimny opór | Odporność na olej | Odporność na zużycie | |||
| Guma naturalna | Nr | Około 60 | 120C | -50 ° ℃ | X | O | |||
| Ding guma nitrylowa | Nbr | Około 60 | 130C ° | -10 ° C. | O | O | |||
| Guma poliuretanowa | Pu | Około 90 | 80C ° | -30 ° C. | O | O | |||
| Guma naturalna | Ding guma nitrylowa | Wałek | Średnica*Grubość*Średnica osi | Szerokość rolki | |||||
| RR-4812p | RRG-4812P | R-3812p | 48*5*12 | 100 ~ 1500 | |||||
| RR-4816 | RRG-4816 | R-3816 | 48*5*12 | 100 ~ 1500 | |||||
| RR-6721P | RRG-6721P | R-5721p | 67*5*12 | 100 ~ 1500 | |||||

Typy posiłków Zalety Grubość poszycia Elektryczne ocynkowane ...
| Typy posiłków | Zalety | Grubość poszycia |
| Elektryczne ocynkowane | Biały cynk, niebiesko-biały cynk, trójwartościowy chrom | Ponad 5 mikronów |
| Twarde chromowanie | Wysoka twardość | Ponad 3 mikrony |
Dlaczego konserwacja przenośnika rolkowego ma bezpośredni wpływ na żywotność systemu ...
Przeczytaj więcejCo sprawia, że przenośnik rolkowy jest naprawdę wytrzymały? Przenośnik rolkowy do duży...
Przeczytaj więcejCo to są przenośniki rolkowe i dlaczego typ ma znaczenie? Przenośniki rolkowe t...
Przeczytaj więcejDlaczego przenośniki rolkowe pozostają podstawą transportu materiałów Przenośniki ro...
Przeczytaj więcejSystemy przenośnikowe codziennie przewożą miliony ton materiałów przez fabryki, magaz...
Przeczytaj więcejWprowadzanie kunsztu w przyszłość.
No.60, Zhenhu North Road, Hudai Town, Binhu District, Wuxi 214100, Chiny







