Roller napędowy jednorzędowy
Cat:Roller napędowy zębate
Typ Rozmiar rolki Szerokość rolki Materiał rolkowy Łożysko ...
Wałka napędzana to rodzaj wałka używanego w zasilanych przenośnikach rolki, zwykle wyposażony w koła napędowe, takie jak koła koła, koła pasowe wielopasmowe, koła pasowe, koła pasowe V lub wałki o ratowiskowe. Rolki napędzane ze skrajniami zapewniają wysoką pojemność, z kołem zwykle wykonanym ze stali i dostępne w różnych specyfikacjach opartych na wymaganiach dotyczących obciążenia. Wałki napędzane koła pasowe, koła pasowe i koła pasowe V są zaprojektowane do systemów napędzanych pasem i mają jaśniejsze pojemności. Wałki o rolek są również używane do lekkich przenośników wałków, o pojemnościach obciążenia niższych niż wałki napędzane pasem.

Typ Rozmiar rolki Szerokość rolki Materiał rolkowy Łożysko ...
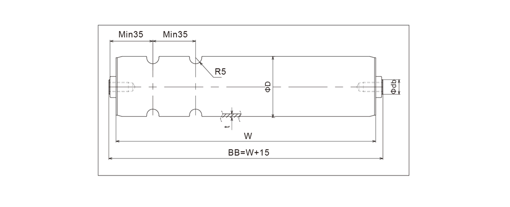
| Typ | Rozmiar rolki | Szerokość rolki | Materiał rolkowy | Łożysko | ŚreDnica wału | Rozmiar wkładki | Koło zębate | d | D2 | A | B | W1 | nocleg ze śniadaniem |
| KR-384010S | 38,1 × 2.3 | 100 ~ 800 | STKM | 6001zz · 6201Z | 12.0 | 18 × 12,2 × 26 | #40 × 10ts | 46 | 41.1 | 12 | 14 | W-1 | W 28 |
| KR-424010S | 42,7 × 2.3 | 100 ~ 800 | STKM | 6001zz · 6201Z | 12.0 | 18x12.2 × 26 | #40 × 10ts | 46 | 41.1 | 12 | 14 | W | W 28 |
| KR-484010S | 48,6 × 3,5 | 100 ~ 800 | SGP40A | 6001zz · 6201Z | 12.0 | 18 × 12,2 × 26 | #40 × 10ts | 46 | 41.1 | 12 | 11 | W 5 | W 28 |
| KR-504010S | 50,8 × 1,6 | 100 ~ 800 | STKM | 6001zz · 6201Z | 12.0 | 18 × 12,2 × 26 | #40 × 10ts | 46 | 41.1 | 12 | 13 | W-1 | W 28 |
| KR-574010S | 57,1 × 2.1 | 100 ~ 1000 | STKM | 6001zz · 6201Z | 12.0 | 18 × 12,2 × 26 | #40 × 10ts | 46 | 41.1 | 12 | 13 | W | W 28 |
| KR-604010S | 60,5 × 2.3 | 100 ~ 1000 | STKM | 6001zz · 6201Z | 12.0 | 18 × 12,2 × 26 | #40 × 10ts | 46 | 41.1 | 12 | 13 | W | W 28 |
| KR-605011s | 60,5 × 3. | 100 ~ 1000 | SGP50A | 6002zz | 15.0 | 21 × 15,2 × 41,5 · 21 × 15,2 × 12 | #50 × 11ts | 63 | 56.35 | 20 | 18 | W 3 | W 48 |
| KR-765011S | 76,3 × 4.2 | 100 ~ 1000 | SGP65A | 6002zz | 15.0 | 21 × 15,2 × 41,5 · 21 × 152 × 12 | #50 × 11ts | 63 | 56.35 | 20 | 18 | W 2 | W 48 |
| KR-605013S | 60,5 × 3.8 | 100 ~ 1000 | SGP50A | 6004zz | 20.0 | 29 × 20,2 × 38,5 · 29 × 20,2 × 15 | #50 × 13ts | 73 | 66.34 | 20 | 18 | W 1 | W 48 |
| KR-765013S | 76,3 × 4.2 | 100 ~ 1000 | SGP65A | 6004zz | 20.0 | 29x20,2x38,5 · 29 × 20,2 × 15 | #50 × 13ts | 73 | 66.34 | 20 | 18 | W 2 | W 48 |
| KR-895013S | 89,1 × 4.2 | 100 ~ 1000 | SGP80A | 6004zz | 20.0 | 29 × 20,2x38,5 · 29 × 202x15 | #50 × 13ts | 73 | 66.34 | 20 | 18 | W | W 48 |
| KR-1146014S | 114,3 × 4.5 | 300 ~ 2000 | SGP100A | 6205zz | 25.0 | 35 × 26 × 19 · 35 × 26 × 21 | #60 × 14ts | 93 | 85.61 | 20 | 23 | W | W 58 |
| KR-1406016S | 139,8 × 4.5 | 300 ~ 2000 | SGP125A | 6206zz | 30.0 | 38 × 31,1 × 19 · 38 × 31,1 × 21 | #60 × 16ts | 107 | 97.65 | 20 | 23 | W | W 58 |

Typ Rozmiar rolki Szerokość rolki Materiał rolkowy Łożysko ...
| Typ | Rozmiar rolki | Szerokość rolki | Materiał rolkowy | Łożysko | Średnica wału | Rozmiar wkładki | Koło zębate | D1 | D2 | A | B | C | W1 | nocleg ze śniadaniem |
| KR-384010SW | 38,1 × 2.3 | 100 ~ 800 | STKM | 6001zz · 6201Z | 12.0 | 18 × 12,2 × 53 | #40 × 10TSW | 46 | 41.1 | 12 | 23 | 18 | W-1 | W 58 |
| KR-424010SW | 42,7 × 2.3 | 100 ~ 800 | STKM | 6001zz · 6201Z | 12.0 | 18 × 12,2 × 53 | #40 × 10TSW | 46 | 41.1 | 12 | 23 | 18 | W | W 58 |
| KR-484010SW | 48,6 × 3,5 | 100 ~ 800 | SGP40A | 6001zz · 6201Z | 12.0 | 18 × 12,2 × 53 | #40 × 10TSW | 46 | 41.1 | 12 | 23 | 15 | W 5 | W 58 |
| KR-504010SW | 50,8 × 1,6 | 100 ~ 800 | STKM | 6001zz · 6201Z | 12.0 | 18 × 12,2 × 53 | #40x10TSW | 46 | 41.1 | 12 | 23 | 18 | W-1 | W 58 |
| KR-574010SW | 57,1 × 2.1 | 100 ~ 1000 | STKM | 6001zz · 6201Z | 12.0 | 18 × 12,2 × 53 | #40 × 10TSW | 46 | 41.1 | 12 | 23 | 18 | W | W 58 |
| KR-604010SW | 60,5 × 2.3 | 100 ~ 1000 | STKM | 6001zz · 6201Z | 12.0 | 18 × 12,2 × 53 | #40 × 10TSW | 46 | 41.1 | 12 | 23 | 18 | W | W 58 |
| KR-605011SW | 60,5 × 3.8 | 100 ~ 1000 | SGP50A | 6002zz | 15.0 | 21x15.2 × 66,5 · 21 × 15,2x12 | #50 × 11TSW | 63 | 56.35 | 20 | 25 | 18 | W 3 | W 7 |
| KR-765011SW | 76,3 × 4.2 | 100 ~ 1000 | SGP65A | 6002zz | 15.0 | 21 × 15,2 × 66,5 · 21 × 15,2 × 12 | #50 × 11TSW | 63 | 56.35 | 20 | 25 | 18 | W 2 | W 73 |
| KR-605013SW | 60,5 × 3.8 | 100 ~ 1000 | SGP50A | 6004zz | 20.0 | 29 × 20,2 × 63,5 · 29 × 20,2 × 15 | #50 × 13TSW | 73 | 66.34 | 20 | 25 | 18 | W 1 | W 73 |
| KR-765013SW | 76,3 × 4.2 | 100 ~ 1000 | SGP65A | 600422 | 20.0 | 29 × 20,2 × 63,5 · 29 × 20,2x15 | #50 × 13TSW | 73 | 66.34 | 20 | 25 | 18 | W 2 | W 73 |
| KR-895013SW | 89,1 × 4.2 | 100 ~ 1000 | SGP80A | 6004zz | 20.0 | 29 × 20,2 × 63,5 · 29 × 20,2 × 15 | #50 × 13TSW | 73 | 66.34 | 20 | 25 | 18 | W | W 73 |

Typ Rozmiar rolki Szerokość rolki Roller Matenal Bearng ...
| Typ | Rozmiar rolki | Szerokość rolki | Roller Matenal | Bearng | Średnica wału | Koło zębate | D1 | D2 | D3 | A | L | nocleg ze śniadaniem | P1 | P2 | P3 | P4 |
| KPR-574015SW | 57,2 × 2.6 | 300 ~ 2000 | STKM | UCPA204 | 25xw 152 | #40 × 15tsw | 67 | 61.08 | 20 | 33 | W 152 | W 86 | 24 | 23 | 17 | 22 |
| KPR-604015SW | 60,5 × 3.8 | 300 ~ 2000 | STKM | UCPA204 | 25xw 152 | #40 × 15tsw | 67 | 61.08 | 20 | 33 | W 152 | W 86 | 24 | 23 | 17 | 22 |
| KPR-765013SW | 76,3 × 4.2 | 300 ~ 2000 | SGP65A | UCPA204 | 25xw 163 | #50 × 13TSW | 73 | 66.34 | 20 | 33 | W 163 | W 97 | 32 | 25 | 18 | 22 |
| KPR-895013SW | 89,1 × 4.2 | 300 ~ 2000 | SGP80A | UCPA206 | 35xw 169 | #50 × 13TSW | 73 | 66.34 | 30 | 39 | W 169 | W 91 | 29 | 25 | 18 | 19 |
| KPR-1015018SW | 101,6 × 4.5 | 300 ~ 2000 | SGP90A | UCPA206 | 35xw 169 | #50 × 18TSW | 98 | 91.42 | 30 | 39 | W 169 | W 91 | 29 | 25 | 18 | 19 |
| KPR-1145018SW | 114,3 × 4.5 | 300 ~ 2000 | SGP100A | UCPA206 | 35xw 169 | #50 × 18TSW | 98 | 91.42 | 30 | 39 | W 169 | W 91 | 29 | 25 | 18 | 19 |
| KPR-1405018SW | 139,8 × 4.5 | 300 ~ 2000 | SGP125A | UCPA206 | 35xw 169 | #50 × 18TSW | 98 | 91.42 | 30 | 39 | W 169 | W 91 | 29 | 25 | 18 | 19 |

Typ Rozmiar rolki Szerokość rolki Materiał rolkowy Łożysko ...
| Typ | Rozmiar rolki | Szerokość rolki | Materiał rolkowy | Łożysko | Średnica wału | Rozmiar wkładki | Koło zębate | |||||
| MAC-CN384010S | 38,1 × 2.3 | 100 ~ 800 | STKM | 6001zz · 6201Z | 12.0 | 18 × 12,2 × 17 | #40 × 10ts | |||||
| MAC-CN424010S | 42,7 × 2.3 | 100 ~ 1000 | STKM | 6001zz · 6201Z | 12.0 | 18x12.2 × 17 | #40 × 10ts | |||||
| MAC-CN484010S | 48,6 × 3,5 | 100 ~ 1000 | SGP40A | 60012Z · 6201Z | 12.0 | 18 × 12,2 × 17 | #40 × 10ts | |||||
| MAC-CN504010S | 50,8 × 1,6 | 100 ~ 1000 | STKM | 6001zz · 6201Z | 12.0 | 18 × 12,2 × 17 | #40 × 10ts | |||||
| MAC-CN574010S | 57,1 × 2.1 | 100 ~ 1000 | STKM | 6001zz · 6201Z | 12.0 | 18 × 12,2 × 17 | #40 × 10ts | |||||
| MAC-CN604010S | 60,5 × 2.3 | 100 ~ 1000 | STKM | 6001zz · 6201Z | 12.0 | 18 × 12,2 × 17 | #40 × 10ts | |||||
| Typ | Rozmiar rolki | Szerokość rolki | Materiał rolkowy | Łożysko | Średnica wału | Koło zębate | ||||||
| MAC-CS384010S | 38,1 × 2.3 | 100 ~ 800 | STKM | 6001zz · 6201Z | 12.0 | #40 × 10ts | ||||||
| MAC-CS424010S | 42,7 × 2.3 | 100 ~ 1000 | STKM | 6001zz · 6201Z | 12.0 | #40 × 10ts | ||||||
| MAC-CS484010S | 48,6 × 3,5 | 100 ~ 1000 | SGP40A | 6001zz · 6201Z | 12.0 | #40 × 10ts | ||||||
| MAC-CS504010S | 50,8 × 1,6 | 100 ~ 1000 | STKM | 6001zz · 6201Z | 12.0 | #40 × 10ts | ||||||
| MAC-CS574010S | 57,1 × 2.1 | 100 ~ 1000 | STKM | 6001zz · 6201Z | 12.0 | #40 × 10ts | ||||||
| MAC-CS604010S | 60,5 × 2.3 | 100 ~ 1000 | STKM | 6001zz · 6201Z | 12.0 | #40 × 10TS | ||||||

Typ Rozmiar rolki Szerokość rolki Materiał rolkowy Łożysko ...
| Typ | Rozmiar rolki | Szerokość rolki | Materiał rolkowy | Łożysko | Średnica wału | Rozmiar wkładki | Koło zębate |
| MAC-CN384010SW | 38,1 × 2.3 | 100 ~ 800 | STKM | 6001Z · 6201Z | 12.0 | 18 × 12,2 × 17 | #40 × 10ts |
| MAC-CN424010SW | 42,7 × 2.3 | 100 ~ 1000 | STKM | 6001zz · 6201Z | 12.0 | 18 × 12,2 × 17 | #40 × 10ts |
| MAC-CN484010SW | 48,6 × 3,5 | 100 ~ 1000 | SGP40A | 6001zz · 6201Z | 12.0 | 18 × 12,2 × 17 | #40 × 10ts |
| MAC-CN504010SW | 50,8 × 1,6 | 100 ~ 1000 | STKM | 6001Z · 6201Z | 12.0 | 18 × 12,2 × 17 | #40 × 10ts |
| MAC-CN574010SW | 57,1 × 2.1 | 100 ~ 1000 | STKM | 6001zz · 6201Z | 12.0 | 18 × 12,2 × 17 | #40 × 10ts |
| MAC-CN604010SW | 60,5 × 2.3 | 100 ~ 1000 | STKM | 6001zz · 6201Z | 12.0 | 18 × 12,2 × 17 | #40 × 10TS |

Typ Rozmiar rolki Szerokość rolki Materiał rolkowy Łożysko ...
| Typ | Rozmiar rolki | Szerokość rolki | Materiał rolkowy | Łożysko | Średnica wału | Rozmiar wkładki | Koło zębate | D1 | D2 |
| MAC-CN605010SW | 60,5 × 2.3 | 100 ~ 1000 | STKM | 6002Z7 · 61902Z | 15.0 | 20 × 15,2 × 16 | #50 × 10ts | 57.43 | 51.37 |
| MAC-CN765013SW | 76,3 × 2.0 | 100 ~ 1000 | STKM | 6204zz · 61904Z | 20.0 | 25 × 20,2 × 22 | #50 × 13TS | 73 | 66.34 |

R Center 1000 Całkowita długość Szerokość rolki Szerok...
| R Center | 1000 | Całkowita długość | Szerokość rolki | Szeroki przenośnik | Wąska ścieżka | Duża średnica | Ładowanie rolki | Waga wałka | |||
| Koło zębate | #40 × 10TSW | (∅) | Grubość | (∅) | Grubość | ||||||
| W szerokość rolki | 200 ~ 600 | 258 | 200 | 260 | 51.5 | 3.0 | 62.5 | 2.6 | 1842 | 1236 | |
| Materiał rolkowy | STKM | 358 | 300 | 360 | 48.8 | 3.0 | 65.2 | 2.6 | 1215 | 1643 | |
| Fasol | 6001zz · 6201Z | 458 | 400 | 460 | 46.0 | 3.1 | 68.0 | 2.6 | 911 | 2050 | |
| Średnica wału dB | 12.0 | 558 | 500 | 560 | 43.3 | 3.2 | 70.7 | 2.4 | 725 | 2456 | |
| Rozmiar DC × DC × LC/wkładka | 18 × 12,2 × 53 · 18 × 12,2 × 7 | 658 | 600 | 660 | 41.3 | 3.3 | 74.0 | 2.3 | 597 | 2863 | |
| R Center | 1200 | Całkowita długość | Szerokość rolki | Szeroki przenośnik | Wąska ścieżka | Duża średnica | Ładowanie rolki | Waga wałka | |||
| Koło zębate | #40 × 10TSW | (∅) | Grubość | (∅) | Grubość | ||||||
| W szerokość rolki | 200 ~ 600 | 258 | 200 | 260 | 52.1 | 2.9 | 61.9 | 2.5 | 1842 | 1.132 | |
| Materiał rolkowy | STKM | 358 | 300 | 360 | 49.7 | 3.0 | 64.3 | 2.4 | 1215 | 1487 | |
| Fasol | 6001zz · 6201Z | 458 | 400 | 460 | 47.3 | 3.1 | 65.7 | 2.4 | 911 | 1842 | |
| Średnica wału dB | 12.0 | 558 | 500 | 560 | 45.0 | 3.2 | 69.2 | 2.8 | 725 | 2197 | |
| Rozmiar DC × DC × LC/wkładka | 18 × 12,2 × 53 · 18 × 12,2 × 7 | 658 | 600 | 660 | 45.0 | 3.2 | 74.0 | 2 | 597 | 2552 | |
| R Center | 1500 | Całkowita długość | Szerokość rolki | Szeroki przenośnik | Wąska ścieżka | Duża średnica | Ładowanie rolki | Waga wałka | |||
| Koło zębate | #40 × 10TSW | (∅) | Grubość | (∅) | Grubość | ||||||
| W szerokość rolki | 200 ~ 600 | 258 | 200 | 260 | 52.6 | 2.7 | 61.4 | 2.8 | 1842 | 1233 | |
| Materiał rolkowy | STKM | 358 | 300 | 360 | 50.4 | 2.9 | 63.6 | 2.7 | 1215 | 1645 | |
| Fasol | 6001zz · 6201Z | 458 | 400 | 460 | 48.0 | 3.1 | 65.4 | 2.4 | 911 | 2046 | |
| Średnica wału dB | 12.0 | 558 | 500 | 560 | 48.0 | 3.4 | 69.8 | 2.4 | 725 | 2452 | |
| Rozmiar DC × DC × LC/wkładka | 18 × 12,2 × 53 · 18 × 12,2 × 7 | 658 | 600 | 660 | 48.0 | 3.1 | 74.0 | 2.1 | 597 | 2.86 | |
| R Center | 2000 | Całkowita długość | Szerokość rolki | WDE OF CISTRICE | Wąska ścieżka | Duża średnica | Ładowanie rolki | Waga wałka | |||
| Koło zębate | #40 × 10TSW | (∅) | Grubość | (∅) | Grubość | ||||||
| W szerokość rolki | 400 ~ 800 | 458 | 400 | 460 | 50.0 | 3.0 | 62.5 | 2.3 | 911 | 1990 | |
| Materiał rolkowy | STKM | 558 | 500 | 560 | 50.0 | 3.0 | 65.6 | 2.2 | 725 | 2398 | |
| Fasol | 6001zz · 6201Z | 658 | 600 | 660 | 50.0 | 3.0 | 68.8 | 2.2 | 597 | 2797 | |
| Średnica wału dB | 12.0 | 758 | 700 | 760 | 50.0 | 3.0 | 71.9 | 2.1 | 519 | 3210 | |
| Rozmiar DC × DC × LC/wkładka | 18 × 12,2 × 53 · 18 × 12,2 × 7 | 858 | 800 | 860 | 50.0 | 3.0 | 75.0 | 2.0 | 450 | 3620 | |

R Center 500 Całkowita długość Szerokość rolki Szeroki...
| R Center | 500 | Całkowita długość | Szerokość rolki | Szeroki przenośnik | Wąska ścieżka | Duża średnica | |
| Koło zębate | #40 × 10TSW | (∅) | (∅) | ||||
| W szerokość rolki | 300 ~ 700 | 328 | 300 | 330 | 42.7 | 60 | |
| Materiał rolkowy | STKM | 428 | 400 | 430 | 42.7 | 65 | |
| Fasol | 6001zz · 6201Z | 528 | 500 | 530 | 42.7 | 75 | |
| Średnica wału dB | 12.0 | 628 | 600 | 630 | 42.7 | 80 | |
| Rozmiar DC × DC × LC/wkładka | 18 × 12,2 × 27 · 18 × 12,2 × 7 | 728 | 700 | 730 | 42.7 | 89 |
| R Center | 900 | Całkowita długość | Szerokość rolki | Szeroki przenośnik | Wąska ścieżka | Duża średnica | |
| Koło zębate | #40 × 10TSW | (∅) | (∅) | ||||
| W szerokość rolki | 300 ~ 700 | 328 | 300 | 330 | 42.7 | 56 | |
| Materiał rolkowy | STKM | 428 | 400 | 430 | 42.7 | 60 | |
| Fasol | 6001zz · 6201Z | 528 | 500 | 530 | 42.7 | 65 | |
| Średnica wału dB | 12.0 | 628 | 600 | 630 | 42.7 | 70 | |
| Rozmiar DC × DC × LC/wkładka | 18 × 12,2 × 27 · 18 × 12,2 × 7 | 728 | 700 | 730 | 42.7 | 75 |
| R Center | 900 | Całkowita długość | Szerokość rolki | szeroki przenośnik | Wąska ścieżka | Duża średnica | |
| Koło zębate | #40 × 10TSW | (∅) | (∅) | ||||
| W szerokość rolki | 800 ~ 1000 | 828 | 800 | 830 | 42.7 | 65 | |
| Materiał rolkowy | STKM | 928 | 900 | 930 | 42.7 | 70 | |
| Fasol | 6001zz · 6201Z | 1028 | 1000 | 1030 | 42.7 | 75 | |
| Średnica wału dB | 12.0 | ||||||
| Rozmiar DC × DC × LC/wkładka | 18 × 12,2 × 27 · 18 × 12,2 × 7 |

Typ Rozmiar rolki Szerokość rolki Materiał rolkowy Łożysko ...
| Typ | Rozmiar rolki | Szerokość rolki | Materiał rolkowy | Łożysko | Średnica wału | Polyvee Pulley |
| DQR-3812 | 38,1 × 12 | 100 ~ 1000 | STKM | 6001zz | 12.0 | Q235 |
| DQRS-3815 | 38,1 × 1,5 | 100 ~ 1000 | SUS304/201 | 6001zz | 12.0 | Q235/sus |
| DQR-5015 | 50,8 × 1,5 | 100 ~ 1000 | STKM | 6002zz | 12.0 | Żywica |
| DQRS-5015 | 50 × 1,5 | 100 ~ 1000 | SUS304/201 | 6002zz | 12.0 | Żywica |
| DQR-5721 | 57,2 × 2.1 | 100 ~ 1000 | STKM | 6001zz | 12.0 | Q235 |
| DQR-6023 | 60,5 × 2.3 | 100 ~ 1000 | STKM | 6002zz | 12.0 | Q235 |
| DQRS-6020 | 60 × 2.0 | 100 ~ 1000 | SUS304/201 | 6002zz | 12.0 | Q235/sus/żywica |
| DQR-7620 | 76,3 × 2.0 | 100 ~ 1000 | STKM | 6001zz | 12.0 | Q235 |
| DQRS-7620 | 76 × 2.0 | 100 ~ 1000 | SUS304/201 | 6001zz | 12.0 | Q235/SUS |

Typ Rozmiar rolki Szerokość rolki Materiał rolkowy Łożysko ...
| Typ | Rozmiar rolki | Szerokość rolki | Materiał rolkowy | Łożysko | Średnica wału | Vnbbed pully |
| VR-3812 | 38,1 × 1.2 | 100 ~ 1000 | STKM | 6001zz | 12.0 | Q235 |
| VRS-3815 | 38 × 1,5 | 100 ~ 1000 | SUS304/201 | 6001zz | 12.0 | Q235/sus |
| VR-5015 | 50,8 × 1,5 | 100 ~ 1000 | STKM | 6001zz | 12.0 | Q235 |
| VRS-5015 | 50 × 1,5 | 100 ~ 1000 | SUS304/201 | 6001zz | 12.0 | Q235/SUS |
| VR-5721 | 57,2 × 2.1 | 100 ~ 1000 | STKM | 6001zz | 12.0 | Q235 |
| VR-6023 | 60,5 × 2.3 | 100 ~ 1000 | STKM | 6001zz | 12.0 | Q235 |
| VRS-6020 | 60 × 2.0 | 100 ~ 1000 | SUS304/201 | 6001zz | 12.0 | Q235/SUS |
| VR-7620 | 76,3 × 2.0 | 100 ~ 1000 | STKM | 6001zz | 12.0 | Q235 |
| VRS-7620 | 76 × 2.0 | 100 ~ 1000 | SUS304/201 | 6001zz | 12.0 | Q235/SUS |

Typ Rozmiar rolki Szerokość rolki Materiał rolkowy Średnica wa...
| Typ | Rozmiar rolki | Szerokość rolki | Materiał rolkowy | Średnica wału | Łożysko |
| OR-3812 | 38,1 × 1.2 | 100 ~ 1000 | STKM | 12.0 | SS |
| ORS-3815 | 38,1 × 1,5 | 100 ~ 1000 | SUS304/201 | 12.0 | SS/SUS |
| OR-4214 | 42,7 × 1,4 | 100 ~ 1000 | STKM | 12.0 | SS |
| OR-5015 | 50,8 × 1,5 | 100 ~ 1000 | STKM | 12.0 | SS |
| ORS-5015 | 50 × 1,5 | 100 ~ 1000 | SUS304/201 | 12.0 | SS/żywica |
| OR-5721 | 57,2 × 2.1 | 100 ~ 1000 | STKM | 12.0 | SS |
| OR-6023 | 60,5 × 2.3 | 100 ~ 1000 | STKM | 12.0 | SS |
| ORS-6020 | 60 × 2.0 | 100 ~ 1000 | SUS304/201 | 12.0 | SS/Resin |
Dlaczego konserwacja przenośnika rolkowego ma bezpośredni wpływ na żywotność systemu ...
Przeczytaj więcejCo sprawia, że przenośnik rolkowy jest naprawdę wytrzymały? Przenośnik rolkowy do duży...
Przeczytaj więcejCo to są przenośniki rolkowe i dlaczego typ ma znaczenie? Przenośniki rolkowe t...
Przeczytaj więcejDlaczego przenośniki rolkowe pozostają podstawą transportu materiałów Przenośniki ro...
Przeczytaj więcejSystemy przenośnikowe codziennie przewożą miliony ton materiałów przez fabryki, magaz...
Przeczytaj więcejZalety produktu Wuxi Huiqian Napędzany wałek : Wysoka trwałość i pojemność obciążenia
Wuxi Huiqian Logistics Machinery Manufacturing Co., Ltd, znana z integracji zaawansowanej japońskiej technologii logistycznej, stoi na czele innowacji w branży obsługi materiałów. Firma specjalizuje się w produkcji szerokiej gamy wysokiej jakości sprzętu logistycznego, w tym napędzany wałek , przenośniki rolkowe i różne inne krytyczne elementy. Wraz z precyzją, niezawodnością i wydajnością, napędzane wałki Wuxi Huiqian są zaprojektowane w celu zaspokojenia różnorodnych potrzeb branż, które opierają się na wydajnych i niezawodnych systemach obsługi materiałów.
Rolki napędzane odgrywają kluczową rolę w wielu procesach logistycznych i produkcyjnych. Niezależnie od tego, czy w przypadku przenoszenia dużych, ciężkich przedmiotów czy małych pakietów te rolki są integralną częścią automatycznych systemów, które usprawniają przepływy pracy i zwiększają wydajność. Rolki napędzane Wuxi Huiqian, w tym rolki napędowe zębate i rolki napędowe zwężającego się, są zaprojektowane pod kątem trwałości i optymalnej wydajności w różnych środowiskach operacyjnych. Połączenie zaawansowanych materiałów, najnowocześniejszych technologii i konfigurowalnych projektów sprawia, że rolki są preferowanym wyborem dla branż na całym świecie.
Wuxi Huiqian napędzany wałek jest zaprojektowany tak, aby wytrzymać duże obciążenia i ciągłe użytkowanie w wymagających środowiskach. Rolki są budowane przy użyciu materiałów o wysokiej wytrzymałości, takich jak stal i stal nierdzewna, które zapewniają długotrwałą wydajność nawet w rygorystycznych warunkach. Solidność tych materiałów gwarantuje, że rolki mogą obsłużyć różne pojemności obciążenia, od lekkich komponentów przemysłowych po ciężkie części maszyn, bez uszczerbku dla integralności strukturalnej.
W szczególności wałki napędowe zębate są zbudowane z trwałej, wysokiej jakości stali, aby upewnić się, że mogą wytrzymać moment obrotowy wymagany do prowadzenia systemów przenośników w wymagających aplikacjach. Podobnie zwężające się wałki napędowe, zaprojektowane pod kątem w celu ułatwienia płynnej pracy, wykazują również wysoką wytrzymałość i stabilność w warunkach obciążenia. Zaawansowany wybór materiału minimalizuje zużycie, zwiększając zdolność rolków do wykonywania przedłużonej żywotności.
Jedną z kluczowych zalet rolników napędzanych przez Wuxi Huiqian jest ich wszechstronność i zdolność adaptacyjna w celu spełnienia określonych wymagań klientów. Dzięki silnemu zespołowi badawczo -rozwojowi u steru firma może opracować niestandardowe rozwiązania zgodne z unikalnymi potrzebami operacyjnymi. Rolki napędzane można dostosować pod względem wielkości, materiału i funkcjonalności, aby pasowały do szerokiego zakresu zastosowań. Niezależnie od tego, czy dostosowuje średnicę rolki, długość czy dodawanie specjalistycznych powłok, Wuxi Huiqian ściśle współpracuje z klientami, aby zapewnić, że produkt pasuje do dokładnych specyfikacji.
Możliwość dostarczania dostosowanych rozwiązań sprawia, że te napędzane rolki są idealne dla różnych branż, w tym produkcję motoryzacyjną, produkcję żywności i napojów, magazynowanie, logistykę i handel elektroniczny. Rolki można dostosować do różnych rodzajów systemów przenośników i linii produkcyjnych, co czyni je wszechstronnym komponentem w dowolnej operacji obsługi materiałów.
Wuxi Huiqian jest znany ze swoich wysokich standardów inżynierii precyzyjnej, co jest kluczowe dla zapewnienia niezawodnej wydajności napędzanych wałków. Firma korzysta z zaawansowanych maszyn CNC (komputerowe sterowanie numerycznie) do produkcji napędzanych wałków z wyjątkową dokładnością. Ta precyzja gwarantuje, że wałki są tworzone do dokładnych specyfikacji wymaganych dla każdej unikalnej aplikacji, minimalizując ryzyko awarii lub nieefektywności.
Zastosowanie maszyn CNC zapewnia również, że rolki są konsekwentnie wytwarzane w dużych ilościach, co umożliwia utrzymanie wysokich standardów produkcyjnych i zmniejszenie ryzyka wad. Precyzja rozciąga się również na konstrukcję koreków i stożkowych, zapewniając, że te krytyczne elementy działają płynnie i płynnie w końcowym zgromadzeniu.
Rolki napędzane Wuxi Huiqian są zaprojektowane w celu zapewnienia wysokiej wydajności operacyjnej przy jednoczesnym minimalnym konserwacji. Rolki są zaprojektowane w celu zmniejszenia tarcia i zużycia, co zmniejsza częstotliwość zadań konserwacyjnych i rozszerza żywotność obsługi sprzętu. Ta funkcja jest szczególnie ważna w branżach, w których wymagana jest ciągła obsługa i należy zminimalizować przestoje.
Rolki napędowe zębate są zaprojektowane z blokującymi zębami, które zmniejszają poślizg i zwiększają przenoszenie mocy, zapewniając, że system przenośników działa wydajnie nawet w warunkach wysokiego obciążenia. Podobnie zwężające się wałki napędowe zostały zaprojektowane w celu zminimalizowania ryzyka uszkodzenia przenośnika lub otaczających komponentów, co poprawia ogólną niezawodność systemu.
Projekt o niskim konserwacji napędzanych rolnikami Wuxi Huiqian zmniejsza koszty operacyjne poprzez obniżenie potrzeb konserwacji i potencjał nieoczekiwanych przestojów. Ponadto firma oferuje kompleksowy system usług po sprzedaży, zapewniając, że wszelkie problemy są niezwłocznie rozwiązywane i że klienci mogą utrzymać sprawne działanie swojego sprzętu.
Rolki napędzane Wuxi Huiqian są zaprojektowane tak, aby były energooszczędne, co jest kluczowe dla zmniejszenia kosztów operacyjnych systemów obsługi materiałów. Rolki są zaprojektowane w celu zminimalizowania zużycia energii przy jednoczesnym utrzymaniu mocy niezbędnej do kierowania systemami przenośników. Koncentruje się to na efektywności energetycznej przekłada się na niższe rachunki za energię elektryczną dla firm, przyczyniając się do ogólnych oszczędności kosztów i zrównoważonego rozwoju środowiska.
W erze, w której firmy są coraz bardziej zaniepokojeni wpływem na środowisko, energooszczędny projekt rolerów napędzanych Wuxi Huiqian zapewnia, że firmy mogą działać zrównoważone bez poświęcania wydajności lub niezawodności.
Rolki napędowe SCORPRocke są jednym z najczęściej używanych rodzajów napędzanych wałków w systemach przenośników. Rolki te są zaprojektowane tak, aby były napędzane łańcuchem i są wyposażone w koła łańcuchowe z łańcuchem, zapewniając płynne i niezawodne działanie. Materiał stosowany do wałków napędowych koła zębatego jest zwykle wysokiej jakości stal lub stal nierdzewna, wybrana ze względu na jego wytrzymałość, trwałość i zdolność do radzenia sobie z momentem obrotowym generowanym przez napęd łańcuchowy.
Rolki napędowe z koła zębate z Wuxi Huiqian są zaprojektowane z precyzyjnymi tolerancjami, aby zapewnić, że koła łańcuchowe idealnie pasują do łańcucha, minimalizując poślizg i maksymalizując transmisję mocy. Rolki są również traktowane w celu odporności na zużycie i korozję, zwiększając ich długowieczność i zmniejszając potrzeby konserwacyjne. Zastosowanie materiałów o wysokiej wytrzymałości zapewnia, że wałki te mogą obsługiwać duże obciążenia, co czyni je odpowiednimi do zastosowań przemysłowych w produkcji, opakowaniu i dystrybucji.
Stożone wałki napędowe mają konstrukcję w kształcie stożka, która pozwala na płynny i wydajny ruch materiałów na systemie przenośników. Stożko zapewnia płynne dostawy materiałów wzdłuż przenośnika, zmniejszając tarcie i zwiększając ogólną wydajność systemu. Materiał stosowany do zwężających się wałków napędowych jest zwykle stal ze stali nierdzewnej lub stali stopowej o wysokiej wytrzymałości, która zapewnia doskonałą odporność na zużycie i korozję, dzięki czemu nadaje się do różnych środowisk, w tym przetwarzanie żywności, farmaceutyki i ciężkie użycie przemysłowe.
Zwoża konstrukcja przyczynia się również do zdolności rolki do obsługi różnych rozmiarów i ciężarów materiałów, dzięki czemu te rolki są wysoce dostosowane do szeregu zastosowań. Rolki napędowe Wuxi Huiqian są produkowane z precyzją, aby zapewnić, że kąt stożkowy jest spójny we wszystkich rolkach, zapewniając jednolitą wydajność w całym systemie przenośników.
Zastosowanie stali nierdzewnej i stali stopowej w konstrukcji napędzanych wałków zapewnia ich trwałość w trudnych lub korozyjnych środowiskach. Materiały te są wysoce odporne na rdzę, korozję i ścieranie, co czyni je idealnymi dla branż, w których rolki są narażone na wilgoć, chemikalia lub inne wyzwania środowiskowe. Na przykład przemysł spożywczy i napojów, w którym higiena jest priorytetem, korzysta z odpornych na korozję właściwości wałków napędzanych stali nierdzewnej.
Odporne na korozję właściwości materiałów pomagają również utrzymać integralność systemu przenośnika w czasie, zapobiegając kosztownym naprawom i zapewniając spójną wydajność.
Wuxi Huiqian Logistics Machinery Manufacturing Co., Ltd, w tym modele napędu SPROPHED i stożkowe, oferują znaczące zalety pod względem trwałości, dostosowywania, inżynierii precyzyjnej i wydajności. Wykorzystując wysokiej jakości materiały, takie jak stal i stal nierdzewna, rolki te zapewniają długotrwałe rozwiązania o niskim utrzymaniu dla branż, od produkcji motoryzacyjnej po logistykę i przetwarzanie żywności. Ich zdolność do radzenia sobie z ciężkimi obciążeniami, zmniejszania zużycia energii i płynnego działania w wymagających środowiskach sprawia, że są one niezawodnym wyborem dla każdej firmy, która chce zoptymalizować systemy obsługi materiałów.
Wprowadzanie kunsztu w przyszłość.
No.60, Zhenhu North Road, Hudai Town, Binhu District, Wuxi 214100, Chiny







