Roller napędowy jednorzędowy
Cat:Roller napędowy zębate
Typ Rozmiar rolki Szerokość rolki Materiał rolkowy Łożysko ...
Zaawansowana struktura, wysokiej jakości wydajność, łatwa w użyciu, wysoka niezawodność i trwałość.
Rolki napędowe zębate mogą być konfiguracją pojedynczą lub podwójną koła zębate. Podwójne wałki napędowe są bardziej powszechne i oferują różne pojemności obciążenia w oparciu o średnicę wałków, grubość ściany i specyfikacje koła łańcuchowego, ze zgodnością dla europejskich, amerykańskich i krajowych standardowych sprocket.

Typ Rozmiar rolki Szerokość rolki Materiał rolkowy Łożysko ...
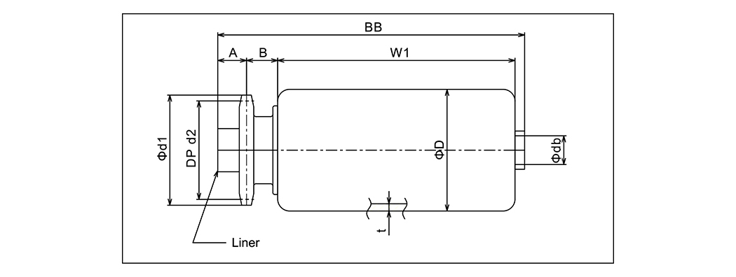
| Typ | Rozmiar rolki | Szerokość rolki | Materiał rolkowy | Łożysko | ŚreDnica wału | Rozmiar wkładki | Koło zębate | d | D2 | A | B | W1 | nocleg ze śniadaniem |
| KR-384010S | 38,1 × 2.3 | 100 ~ 800 | STKM | 6001zz · 6201Z | 12.0 | 18 × 12,2 × 26 | #40 × 10ts | 46 | 41.1 | 12 | 14 | W-1 | W 28 |
| KR-424010S | 42,7 × 2.3 | 100 ~ 800 | STKM | 6001zz · 6201Z | 12.0 | 18x12.2 × 26 | #40 × 10ts | 46 | 41.1 | 12 | 14 | W | W 28 |
| KR-484010S | 48,6 × 3,5 | 100 ~ 800 | SGP40A | 6001zz · 6201Z | 12.0 | 18 × 12,2 × 26 | #40 × 10ts | 46 | 41.1 | 12 | 11 | W 5 | W 28 |
| KR-504010S | 50,8 × 1,6 | 100 ~ 800 | STKM | 6001zz · 6201Z | 12.0 | 18 × 12,2 × 26 | #40 × 10ts | 46 | 41.1 | 12 | 13 | W-1 | W 28 |
| KR-574010S | 57,1 × 2.1 | 100 ~ 1000 | STKM | 6001zz · 6201Z | 12.0 | 18 × 12,2 × 26 | #40 × 10ts | 46 | 41.1 | 12 | 13 | W | W 28 |
| KR-604010S | 60,5 × 2.3 | 100 ~ 1000 | STKM | 6001zz · 6201Z | 12.0 | 18 × 12,2 × 26 | #40 × 10ts | 46 | 41.1 | 12 | 13 | W | W 28 |
| KR-605011s | 60,5 × 3. | 100 ~ 1000 | SGP50A | 6002zz | 15.0 | 21 × 15,2 × 41,5 · 21 × 15,2 × 12 | #50 × 11ts | 63 | 56.35 | 20 | 18 | W 3 | W 48 |
| KR-765011S | 76,3 × 4.2 | 100 ~ 1000 | SGP65A | 6002zz | 15.0 | 21 × 15,2 × 41,5 · 21 × 152 × 12 | #50 × 11ts | 63 | 56.35 | 20 | 18 | W 2 | W 48 |
| KR-605013S | 60,5 × 3.8 | 100 ~ 1000 | SGP50A | 6004zz | 20.0 | 29 × 20,2 × 38,5 · 29 × 20,2 × 15 | #50 × 13ts | 73 | 66.34 | 20 | 18 | W 1 | W 48 |
| KR-765013S | 76,3 × 4.2 | 100 ~ 1000 | SGP65A | 6004zz | 20.0 | 29x20,2x38,5 · 29 × 20,2 × 15 | #50 × 13ts | 73 | 66.34 | 20 | 18 | W 2 | W 48 |
| KR-895013S | 89,1 × 4.2 | 100 ~ 1000 | SGP80A | 6004zz | 20.0 | 29 × 20,2x38,5 · 29 × 202x15 | #50 × 13ts | 73 | 66.34 | 20 | 18 | W | W 48 |
| KR-1146014S | 114,3 × 4.5 | 300 ~ 2000 | SGP100A | 6205zz | 25.0 | 35 × 26 × 19 · 35 × 26 × 21 | #60 × 14ts | 93 | 85.61 | 20 | 23 | W | W 58 |
| KR-1406016S | 139,8 × 4.5 | 300 ~ 2000 | SGP125A | 6206zz | 30.0 | 38 × 31,1 × 19 · 38 × 31,1 × 21 | #60 × 16ts | 107 | 97.65 | 20 | 23 | W | W 58 |

Typ Rozmiar rolki Szerokość rolki Materiał rolkowy Łożysko ...
| Typ | Rozmiar rolki | Szerokość rolki | Materiał rolkowy | Łożysko | Średnica wału | Rozmiar wkładki | Koło zębate | D1 | D2 | A | B | C | W1 | nocleg ze śniadaniem |
| KR-384010SW | 38,1 × 2.3 | 100 ~ 800 | STKM | 6001zz · 6201Z | 12.0 | 18 × 12,2 × 53 | #40 × 10TSW | 46 | 41.1 | 12 | 23 | 18 | W-1 | W 58 |
| KR-424010SW | 42,7 × 2.3 | 100 ~ 800 | STKM | 6001zz · 6201Z | 12.0 | 18 × 12,2 × 53 | #40 × 10TSW | 46 | 41.1 | 12 | 23 | 18 | W | W 58 |
| KR-484010SW | 48,6 × 3,5 | 100 ~ 800 | SGP40A | 6001zz · 6201Z | 12.0 | 18 × 12,2 × 53 | #40 × 10TSW | 46 | 41.1 | 12 | 23 | 15 | W 5 | W 58 |
| KR-504010SW | 50,8 × 1,6 | 100 ~ 800 | STKM | 6001zz · 6201Z | 12.0 | 18 × 12,2 × 53 | #40x10TSW | 46 | 41.1 | 12 | 23 | 18 | W-1 | W 58 |
| KR-574010SW | 57,1 × 2.1 | 100 ~ 1000 | STKM | 6001zz · 6201Z | 12.0 | 18 × 12,2 × 53 | #40 × 10TSW | 46 | 41.1 | 12 | 23 | 18 | W | W 58 |
| KR-604010SW | 60,5 × 2.3 | 100 ~ 1000 | STKM | 6001zz · 6201Z | 12.0 | 18 × 12,2 × 53 | #40 × 10TSW | 46 | 41.1 | 12 | 23 | 18 | W | W 58 |
| KR-605011SW | 60,5 × 3.8 | 100 ~ 1000 | SGP50A | 6002zz | 15.0 | 21x15.2 × 66,5 · 21 × 15,2x12 | #50 × 11TSW | 63 | 56.35 | 20 | 25 | 18 | W 3 | W 7 |
| KR-765011SW | 76,3 × 4.2 | 100 ~ 1000 | SGP65A | 6002zz | 15.0 | 21 × 15,2 × 66,5 · 21 × 15,2 × 12 | #50 × 11TSW | 63 | 56.35 | 20 | 25 | 18 | W 2 | W 73 |
| KR-605013SW | 60,5 × 3.8 | 100 ~ 1000 | SGP50A | 6004zz | 20.0 | 29 × 20,2 × 63,5 · 29 × 20,2 × 15 | #50 × 13TSW | 73 | 66.34 | 20 | 25 | 18 | W 1 | W 73 |
| KR-765013SW | 76,3 × 4.2 | 100 ~ 1000 | SGP65A | 600422 | 20.0 | 29 × 20,2 × 63,5 · 29 × 20,2x15 | #50 × 13TSW | 73 | 66.34 | 20 | 25 | 18 | W 2 | W 73 |
| KR-895013SW | 89,1 × 4.2 | 100 ~ 1000 | SGP80A | 6004zz | 20.0 | 29 × 20,2 × 63,5 · 29 × 20,2 × 15 | #50 × 13TSW | 73 | 66.34 | 20 | 25 | 18 | W | W 73 |

Typ Rozmiar rolki Szerokość rolki Roller Matenal Bearng ...
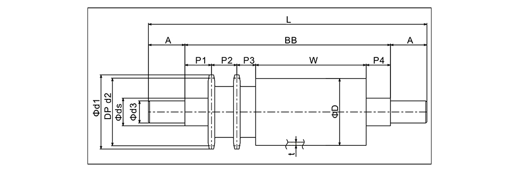
| Typ | Rozmiar rolki | Szerokość rolki | Roller Matenal | Bearng | Średnica wału | Koło zębate | D1 | D2 | D3 | A | L | nocleg ze śniadaniem | P1 | P2 | P3 | P4 |
| KPR-574015SW | 57,2 × 2.6 | 300 ~ 2000 | STKM | UCPA204 | 25xw 152 | #40 × 15tsw | 67 | 61.08 | 20 | 33 | W 152 | W 86 | 24 | 23 | 17 | 22 |
| KPR-604015SW | 60,5 × 3.8 | 300 ~ 2000 | STKM | UCPA204 | 25xw 152 | #40 × 15tsw | 67 | 61.08 | 20 | 33 | W 152 | W 86 | 24 | 23 | 17 | 22 |
| KPR-765013SW | 76,3 × 4.2 | 300 ~ 2000 | SGP65A | UCPA204 | 25xw 163 | #50 × 13TSW | 73 | 66.34 | 20 | 33 | W 163 | W 97 | 32 | 25 | 18 | 22 |
| KPR-895013SW | 89,1 × 4.2 | 300 ~ 2000 | SGP80A | UCPA206 | 35xw 169 | #50 × 13TSW | 73 | 66.34 | 30 | 39 | W 169 | W 91 | 29 | 25 | 18 | 19 |
| KPR-1015018SW | 101,6 × 4.5 | 300 ~ 2000 | SGP90A | UCPA206 | 35xw 169 | #50 × 18TSW | 98 | 91.42 | 30 | 39 | W 169 | W 91 | 29 | 25 | 18 | 19 |
| KPR-1145018SW | 114,3 × 4.5 | 300 ~ 2000 | SGP100A | UCPA206 | 35xw 169 | #50 × 18TSW | 98 | 91.42 | 30 | 39 | W 169 | W 91 | 29 | 25 | 18 | 19 |
| KPR-1405018SW | 139,8 × 4.5 | 300 ~ 2000 | SGP125A | UCPA206 | 35xw 169 | #50 × 18TSW | 98 | 91.42 | 30 | 39 | W 169 | W 91 | 29 | 25 | 18 | 19 |
Dlaczego konserwacja przenośnika rolkowego ma bezpośredni wpływ na żywotność systemu ...
Przeczytaj więcejCo sprawia, że przenośnik rolkowy jest naprawdę wytrzymały? Przenośnik rolkowy do duży...
Przeczytaj więcejCo to są przenośniki rolkowe i dlaczego typ ma znaczenie? Przenośniki rolkowe t...
Przeczytaj więcejDlaczego przenośniki rolkowe pozostają podstawą transportu materiałów Przenośniki ro...
Przeczytaj więcejSystemy przenośnikowe codziennie przewożą miliony ton materiałów przez fabryki, magaz...
Przeczytaj więcejWprowadzanie kunsztu w przyszłość.
No.60, Zhenhu North Road, Hudai Town, Binhu District, Wuxi 214100, Chiny







